14+ briggs and stratton transfer switch wiring diagram

Briggs and Stratton Power Products 040568-00 - 12000 Watt Standby Generator with 100 Amp. 30 hp briggs stratton engine.


Briggs Engine Wiring Diagram

Ad Find discounts on Transfer switch wiring.

. An automatic transfer switch works with the generator to automatically power up during a. About Press Copyright Contact us Creators Advertise Developers Terms Privacy. Ch18 ch25 ch620 ch730 ch740 ch750 service manual briggs dual circuit.

Warranty BRIGGS STRATTON POWER PRODUCTS GROUP LLC TRANSFER SWITCH OWNER WARRANTY POLICY Effective November 1 2005 replaces all undated Warranties and all Warranties dated before November 1 2005 LIMITED WARRANTY Briggs Stratton Power Products Group LLC will repair or replace free of charge any parts of the equipment that is. Get this TRANSFER SWITCH for your Briggs and Stratton equipment. Picture For Wiring 120 Schematic To A 240 Schematic - Wiring Diagram.

Testing the Automatic Transfer Switch. Ad Personal Account Manager. If you are replacing or rebuilding parts of the small engine on your lawn mower snow blower or.

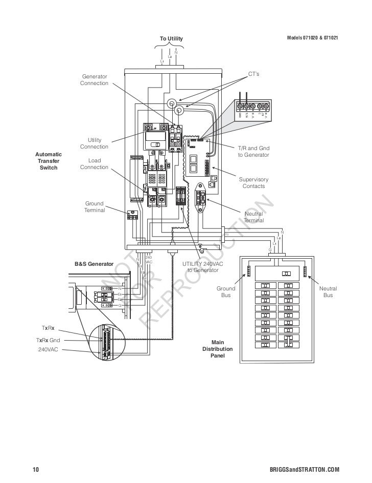
If you need more information about the transfer switch call 800 743-4115. Deep sea 7320 wiring diagram. Search Save Online Today.

7 Power Wiring Interconnections. 18 Instrucciones importantes de seguridad. Generac 75 kw generator.

Delivered in 24 hours. We Are Your Instruction Manual Finding Service. Ignition lawn tractor briggs stratton.

Swisher 60 145 hp briggs ignition switch wiring diagram. 17 Tabla de Contenido. 8 Supervisory Control Wiring.

Download Briggs Stratton Engine PDF manuals. Lawn mower ignition switch wiring diagram. How To Wire A Generator Transfer Switch New Briggs Stratton Power tonetasticinfo.

How To Wire A Generator Transfer Switch New Briggs Stratton Power. Wiring diagrams for ats to generator. 16 Pics about How To.

Ad List of Briggs Stratton Engine user manuals user guides owner service manuals.


Briggs Stratton Automatic Transfer Switch User Manual Page 1 Of 40 Manualsbrain Com


Transfer Switch Manual


Transfer Switch Manual


Transfer Switch Manual


Transfer Switch Manual


Transfer Switch Manual


Transfer Switch Manual


Briggs And Stratton Power Products 01918 00 50 Amp Automatic Transfer Switch Parts Diagram For Wiring Diagram Transfer Switch


Transfer Switch Manual


Transfer Switch Manual


Transfer Switch Manual


Transfer Switch Manual


Briggs And Stratton Power Products 1918 0 Power Transfer Switch 50 Amp Nema 3r Parts Diagram For Wiring Diagram Transfer Switch


Briggs Stratton Automatic Transfer Switch User Manual Page 1 Of 40 Manualsbrain Com


Briggs Engine Wiring Diagram


Briggs Stratton 071057 Installation Manual Manualzz


Briggs And Stratton Standby Generator Automatic Transfer Switch Install Youtube

Iklan Atas Artikel

Iklan Tengah Artikel 1

Iklan Tengah Artikel 2

Iklan Bawah Artikel